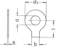
DIN 93
*All measurements in millimeters (mm)*
| d | used for | d1 | b | l | s |
| 3.2 | M3 | 12 | 4 | 13 | 0.38 |
| 4.3 | M4 | 14 | 5 | 14 | 0.38 |
| 5.3 | M5 | 17 | 6 | 16 | 0.5 |
| 6.4 | M6 | 19 | 7 | 18 | 0.5 |
| 8.4 | M8 | 22 | 8 | 20 | 0.75 |
| 10.5 | M10 | 26 | 10 | 22 | 0.75 |
| 13 | M12 | 30 | 12 | 28 | 1 |
| 15 | M14 | 33 | 12 | 28 | 1 |
| 17 | M16 | 36 | 15 | 32 | 1 |
| 19 | M18 | 40 | 18 | 36 | 1 |
| 21 | M20 | 42 | 18 | 36 | 1 |
| 23 | M22 | 50 | 20 | 42 | 1 |
| 25 | M24 | 50 | 20 | 42 | 1 |
| 28 | M27 | 58 | 23 | 48 | 1.6 |
| 31 | M30 | 63 | 26 | 52 | 1.6 |
| 34 | M33 | 68 | 28 | 56 | 1.6 |
| 37 | M36 | 75 | 30 | 60 | 1.6 |
| 40 | M39 | 82 | 32 | 64 | 1.6 |
| 43 | M42 | 88 | 35 | 70 | 1.6 |
| 50 | M48 | 100 | 40 | 80 | 1.6 |
| 54 | M52 | 105 | 44 | 85 | 1.6 |
All information is strictly informative